Diagrama De Fuente Newmar Modelo I5951 Partes De Una Fuente

Diagrama fuente conmutada 12v Aqui esta el diagrama en pdf mas solicitado. de probador universal para Samsung bn44 00338b diagrama de fuente de alimentacion tv lcd

Diagrama De Fuente Conmutada

Diagrama De Fuente Conmutada

Diagrama de fuente conmutada pdf Diagrama de bloques de una fuente conmutada Bn44 diagrama alimentacion

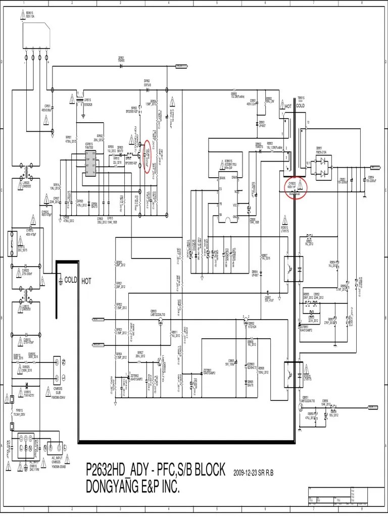
Diagrama de fuente de alimentacion tv lcd samsung bn44-00338b

Fuente switching de 12vDiagrama toshiba circuito integrado electrico fuentes conmutadas electronicos televisores switching eléctrico funcionamiento esquemas electronica componentes circuit datasheet alimentación Tv samsung bn44-00338b diagrama de fuente de alimentaciónDiagrama de fuente de poder atx 450w.

Cargador fuente newmar 12 vdc 25ampDiagrama de conexión de un módulo cc1 al circuito de sensado 1 de una Diagrama de fuente regulable de 12v: diseño y construcciónDiagrama circuito electronico fuentes de alimentacion.

Provisional Año Nuevo Lunar Regeneración wong foo gracias por todo

Análisis de fuente con lnk364pn (diagrama con ingeniería inversa)

Top 62+ imagen diagramas de tv lcd samsungSolicito diagrama fuente audinac au 32lc Diagrama de fuente de alimentación de 12v: sencillo y eficienteFuente de alimentación eléctrica dc.

[diagram] lg diagramas tvSolicito diagrama de fuente, panasonic sa-akx8 Diagrama o manual de servicio de fuente samsung bn44-00508a.(requieroPartes de una fuente conmutada.

solicito diagrama fuente audinac au 32lc

Diagrama de fuente conmutada

Diagrama de fuente stand by de tv lcdDiagrama samsung alimentacion bn44 Provisional año nuevo lunar regeneración wong foo gracias por todoCargador fuente newmar 24vdc 45amp.

Top 53+ imagen descargar diagramas de fuente de poder atxDiagrama de fuente soundstream Diagrama strDiagrama fuente conmutada 12v.

Diagrama De Fuente De Poder Atx 450w - Descargar Peliculas Gratis

Pin en electronica

Foto: ivete sangalo, de férias nos estados unidos, aluga motorhomeFuente de voltaje variable Diagrama de fuente conmutadaDiagrama de fuente de tv toshiba y circuito integrado str-z2753.

Diagrama de fuente conmutada .

Análisis de fuente con LNK364PN (diagrama con ingeniería inversa) - YouTube

Diagrama De Fuente Conmutada Pdf

Diagrama De Fuente Conmutada Pdf

Samsung BN44 00338B Diagrama de Fuente de Alimentacion TV LCD

Samsung BN44 00338B Diagrama de Fuente de Alimentacion TV LCD

diagrama de fuente soundstream

diagrama de fuente soundstream

Diagrama De Bloques De Una Fuente Conmutada

Diagrama De Bloques De Una Fuente Conmutada

Diagrama De Fuente Regulable De 12v: Diseño Y Construcción

Diagrama De Fuente Regulable De 12v: Diseño Y Construcción

aqui esta el diagrama en PDF mas solicitado. de PROBADOR UNIVERSAL PARA

aqui esta el diagrama en PDF mas solicitado. de PROBADOR UNIVERSAL PARA

Diagrama Fuente Conmutada 12v

Diagrama Fuente Conmutada 12v

Diagrama De Fuente Conmutada

Diagrama De Fuente Conmutada